欢迎光临佛山市南海永坤精密机电有限公司!

统一服务热线
151-1874-4777
151-1874-4788
联系我们Contact Us

统一服务热线:

400-0966-850

(7天*24小时)

手机:135 3661 6957 郑工

手机:151 1874 4777 潘工

传真:0757-86401607

QQ:113471568

邮箱:113471568@qq.com

地址:广东省佛山市南海区罗村芦塘灯围路3号


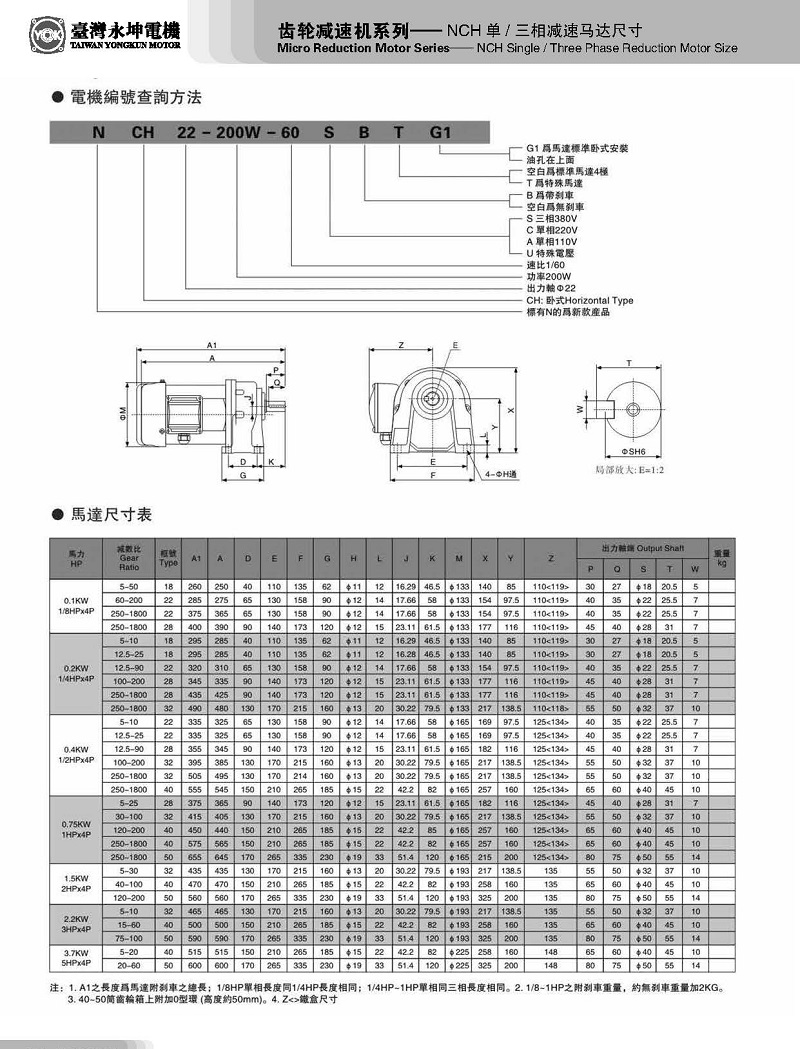
卧式齿轮减速机
永坤齿轮减速机NCH18-100-5S

名称:永坤齿轮减速机NCH18-100-5S

详细信息

永坤齿轮减速机NCH18-100-5S


永坤齿轮减速机